蒸發冷一體機項目的解決方案
冷凍冷藏
瀏覽量:474次
一.概述
蒸發冷一體機一般以冷媒水作為傳遞冷量的介質,冷媒水在制冷機的蒸發器中與制冷劑進行熱交換,向制冷劑放出熱量后,通過水泵和管道輸送到各種空氣調節處理裝置中與被處理的空氣進行熱交換后,冷媒水又經過回水管道返回到制冷機的蒸發器中,如此循環!
二.方案內容
1、設備工作原理和動作原理
蒸發冷一體機的壓縮機將蒸發器的低溫低壓制冷劑氣體吸入,壓縮成高溫高壓氣體,再排入冷凝器,與冷媒水進行熱交換而成為低溫高壓的制冷劑液體。
壓縮機
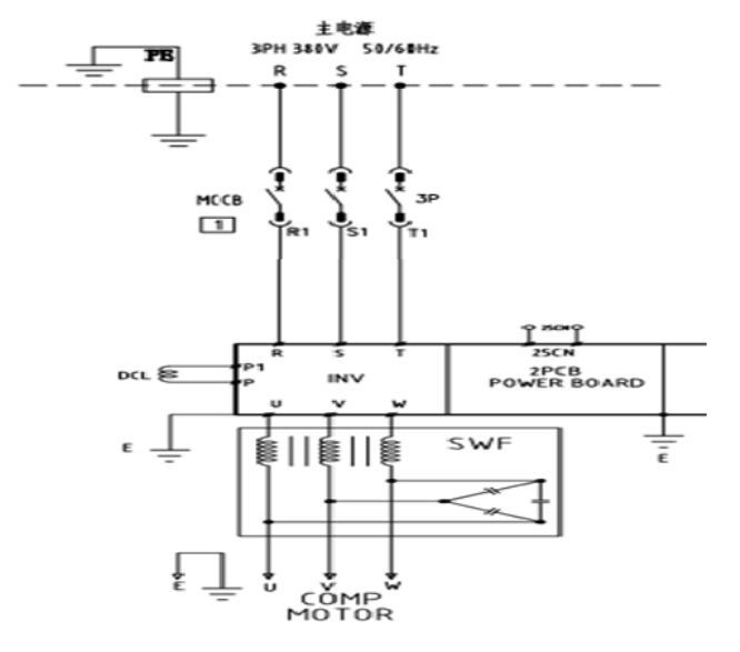
2、電氣接線圖
3、變頻器規格
根據磁懸浮電機的電機參數,我司選擇了額定電流300A的160KW液態風冷變頻器。另應客戶要求在變頻器和電機之間加裝正弦波濾波器。
變頻器
濾波器接法
注意:電容不能直接接在變頻器輸出側
4、調試步驟
在不帶濾波器且電機軸上沒有負載的情況下,按照電機參數進行自學習。Dr30:2倍相電阻,Dr31,Dr64:2倍相電感。
加裝濾波器以后需要向變頻器主板下載濾波器參數,輸入參數參數均為相電感和相電阻
修改相應參數使濾波器參數生效
5、現場運行情況
在客戶要求的各個工況下,變頻器都能帶著電機穩定運行。


