一、設備工作原理和應用場景
臥螺離心機是一種臥式螺旋卸料、連續操作的沉降設備。
工作原理:轉鼓與螺旋以一定差速同向高速旋轉,物料由進料管連續引入輸料螺旋內筒,加速后進入轉鼓,在離心力場作用下,較重的固相物沉積在轉鼓壁上形成沉渣層。
輸料螺旋將沉積的固相物連續不斷地推至轉鼓錐端,經排渣口排出機外。較輕的液相物則形成內層液環,由轉鼓大端溢流口連續溢出轉鼓,經排液口排出機外。
臥螺離心機有以下優點:
能連續生產,生產能力大。特別適用于工業的流水線作業;可調速(使用變頻器),達到適應現場工況的最佳分離效果;適用范圍廣泛:能廣泛應用于市政污水、食品、飲料、屠宰養殖、印染、石油化工、造紙、皮革、制藥等各行業的污泥脫水。
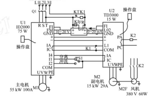
二、電氣接線圖
1:兩臺變頻器采用共直流母線的運行方式
2:現場主速55kW,副速15kW變頻器,搭配使用。
3:總線RS485,走ModBus-RTU協議,回傳轉速、力矩等數據到上控。
三、變頻器規格
兩臺變頻器型號分別是
1:主變頻器YD580T4-55G/75P-T
2:副變頻器YD580T4-11G/15PB
電機為
1:主電機55kW 異步
2:副電機15kW 異步
控制方式:
1:主采用VF或矢量開環SVC
2:副采用矢量開環SVC
四、調試步驟
可通過LCD 操作面板實現參數的快速復制,方便客戶使用。
五、運行情況
設備機組觸摸屏監視界面(回傳轉矩、電流、頻率,并計算差速等)
現場調試時,架上示波器,監視變頻器運行的畫面
黃色為55kw主變頻器R相進線電流波形(測是否干擾)
紅色為55kw主變頻器U相輸出電流波形(測是否振動)
藍色為55kw主變頻器DC母線電壓波形(測系統穩定)
采用共直流母線交流變頻調速系統較好地解決了臥螺離心機背驅動電機再生能量的回收問題,它給用戶帶來了很大的實惠。
六:節能效果
以巨能機械客戶某污水處理廠為例,該廠目前年處理城市污水10萬噸,使用2臺離心機。設運行差速10r/min,小軸力矩15N.m, 初步測算一臺離心機節能1.5KW,以每天運行10小時,每年運行300天計算,年節電4500度,以每度電費0.631元計算,年節省電費2839.5元。2臺離心機共節省電費5679元/年。
七、時長總結
1、巨能機械臥螺離心機除了55KW/15KW的組合外,還有11KW/5.5KW、132KW/55KW等各種豐富的組合。
2、之前巨能機械采購進口品牌ABB的ACS580系列變頻器,替換成優利康YD580機型后依舊運行穩定,性價比優勢明顯。
3、巨能機械作為離心機行業的國產化標桿,銷售區域面向亞太、非洲,僅臥螺離心機一項,每年就能出貨1000套以上。


